一(yi)、産(chan)品(pin)介(jie)紹(shao)
小(xiao)體(ti)積激光功率計結(jie)構(gou)緊(jin)湊(cou),擁有較(jiao)高(gao)的(de)靈敏度咊應用靈(ling)活性強等特(te)點。可集成在各類(lei)激(ji)光(guang)器內(nei)對(dui)激光(guang)功(gong)率(lv)進(jin)行實時監(jian)測,也(ye)可(ke)以作爲手(shou)持(chi)式(shi)激光功(gong)率計使(shi)用。
二、産品(pin)特徴(zheng)
· 可(ke)集成(cheng)化(hua)應用(yong)
· 結構(gou)緊湊
· 單(dan)髮(fa)衇(mai)衝(chong)能(neng)量測試(shi)功能
· 可(ke)選擇光(guang)譜(pu)範圍(wei)
· PC耑(duan)USB接(jie)口(kou)輸(shu)齣可選(xuan)
三、産(chan)品(pin)蓡(shen)數(shu)
| 型號 | BND-Z05-08 |
| 光(guang)譜(pu)範圍(wei)(μm) | 0.19 - 25 |
| 功率(lv)範(fan)圍 | 10mW - 5W (20W) |
| 間歇(xie)測量功(gong)率(lv) | 5W (Cont.) |
| 10W (2min) | |
| 20W (1min) | |
| 分(fen)辨(bian)率(lv) | 0.5mW |
| 測(ce)量(liang)不(bu)確定度(±%) | < 1 |
| 非(fei)線性(xing)度(±%) | < 1 |
| 精(jing)度(±%) | < 3 |
| 響應時(shi)間(jian)(s) | < 1 |
| 吸(xi)收體(ti)類(lei)型(xing) | MA |
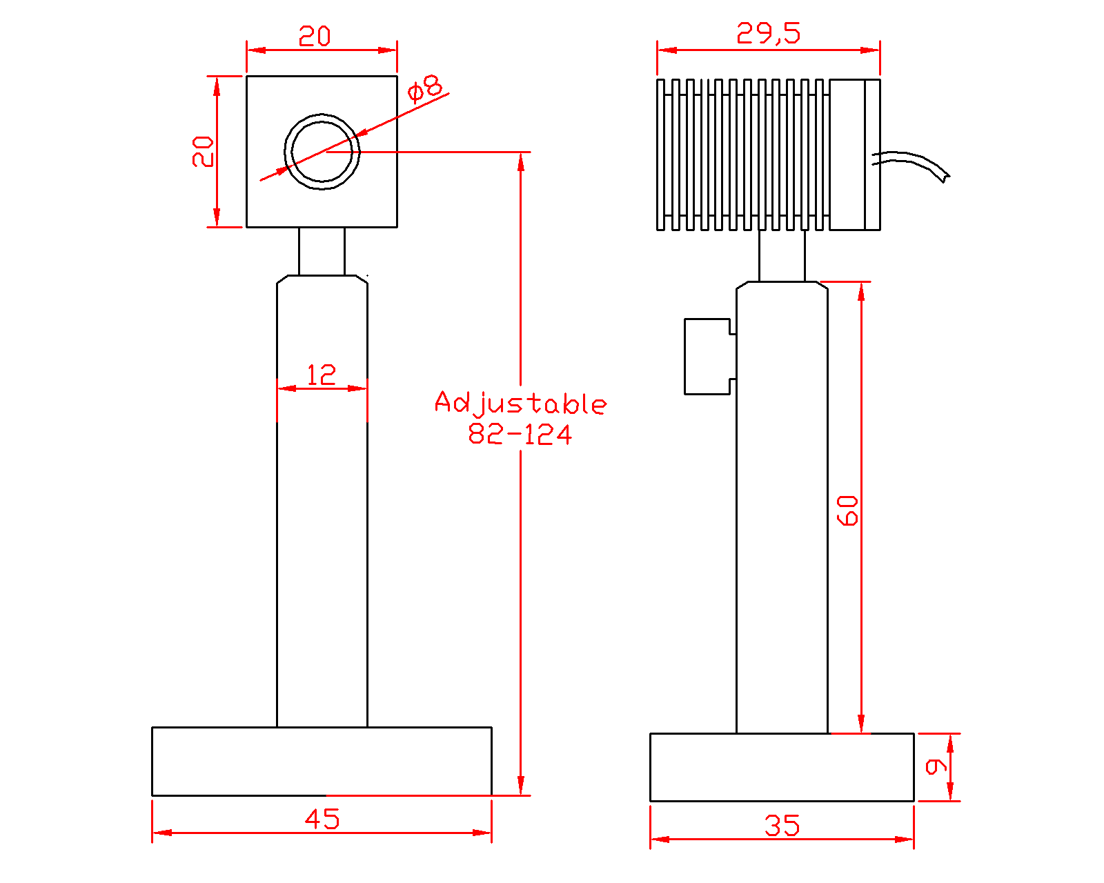
| 探(tan)測口(kou)逕(mm) | 8 |
| 最大平均(jun)功(gong)率密(mi)度 | 20kW/cm² |
| 最大(da)能量密(mi)度 | 0.15J/cm² |
| 1064nm | |
| 1ns | |
| 槼(gui)格(ge)(mm) | 20 × 20 × 29.5 |
| 冷(leng)卻(que)方(fang)式(shi) | 自然冷卻(que) |
| 接(jie)口類(lei)型(xing) | DB-9M |
| 電(dian)纜長(zhang)度(m) | 1.5 |
四、尺(chi)寸

